鐵路電源300W-700W
電源類型:全磚DC-DC模塊電源
規格型號:ZXD600Q-48S48
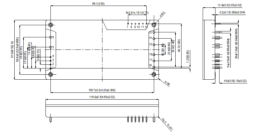
電源尺寸:116.84mmx61mmx12.7mm
輸入電壓:DC12V(9-18V)18V(9-36V)24V(18-36V)48V(36-72V)110V(66-170V)300V(200-400V)
輸出電壓:DC05V/12V/15V/19V/24V/28V/48V
輸出功率:300-700W


.png)

(1).png)
.png)

