推挽式電路是什么?推挽式開關電源的優缺點解析
推挽式電路是什么
推挽式電路是一種放大電路,它按功放輸出級放大元件的數量,可以分為單端放大器和推挽放大器。
單端放大器的輸出級由一只放大元件(或多只元件但并聯成一組)完成對信號正負兩個半周的放大。單端放大機器只能采取甲類工作狀態。
推挽放大器的輸出級有兩個“臂”(兩組放大元件),一個“臂”的電流增加時,另一個“臂”的電流則減小,二者的狀態輪流轉換。對負載而言,好象是一個“臂”在推,一個“臂”在拉,共同完成電流輸出任務。盡管甲類放大器可以采用推挽式放大,但更常見的是用推挽放大構成乙類或甲乙類放大器。
推挽式開關電源的優點
①電壓輸出特性很好
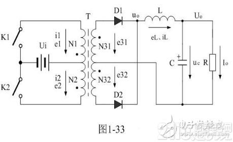
由于它的兩個控制開關K1和K2輪流交替工作,其輸出電壓波形非常對稱,并且開關電源在整個工作周期之內都向負載提供功率輸出,其輸出電流瞬間響應速度很高,并且它是所有開關電源中電壓利用率最高的開關電源,它在輸入電壓很低的情況下,仍能維持很大的功率輸出,所以被廣泛應用于低輸入電壓的DC/AC逆變器,或DC/DC轉換器電路中。

②是一個輸出電壓特性非常好的開關電源
它經橋式整流或全波整流后,其輸出電壓的電壓脈動系數Sv和電流脈動系數Si都很小,因此只需要一個很小值的儲能濾波電容或儲能濾波電感,就可以得到一個電壓紋波和電流紋波都很小的輸出電壓。
③開關電源的工作效率很高
它的變壓器屬于雙極性磁極化,磁感應變化范圍是單極性磁極化的兩倍多,并且變壓器鐵心不需要留氣隙,因此,它的變壓器鐵心的導磁率比單極性磁極化的正激或反式開關電源變壓器鐵心的導磁率高很多倍;這樣變壓器初、次級的線圈匝數可比單極性磁極化變壓器初、次級的線圈匝數少一倍以上,漏感以及銅阻損耗都比單極性磁極化變壓器小很多。
④驅動電路簡單
它的兩個開關器件有一個公共接地端,相對于半橋式或全橋式開關電源來說,驅動電路要簡單很多,這也是一個優點。
半橋式以及全橋式開關電源
它們都有一個共同缺點,就是當兩個控制開關K1和K2處于交替轉換工作狀態的時候,兩個開關器件會同時出現一個半導通區,即兩個控制開關同時處于接通狀態;這是因為開關器件在開始導通的時候,相當于對電容充電,它從截止狀態到完全導通狀態需要一個過渡過程;而開關器件從導通狀態轉換到截止狀態的時候,相當于對電容放電,它從導通狀態到完全截止狀態也需要一個過渡過程;當兩個開關器件分別處于導通和截止的過渡期間,就會同時出現半導通狀態,此時,相當于兩個控制開關同時接通,會對電源電壓產生短路,在兩個控制開關的串聯回路中將出現很大的電流,而這個電流并沒有通過變壓器負載。因此,在兩個控制開關K1和K2分別處于導通和截止的過渡期間,兩個開關器件將會產生很大的功率損耗。
推挽式開關電源
它不會存在這種損耗。因為,當控制開關K1將要關斷的時候,開關變壓器的兩個初級線圈N1繞組和N2繞組都會產生反電動勢,而N2繞組產生的反電動勢正好與輸入電流的方向相反;此時,即使是K2開關器件處于半導通或全導通狀態,在短時間內,在K2組成的電路中都不會出現很大的工作電流,并且在電路中,兩個控制開關也不存在直接串通的回路;因此不會像半橋式,以及全橋式開關電源那樣出現兩個控制開關同時串通的可能性,這也是推挽式開關電源的一個優點。
推挽式開關電源的主要缺點
它的兩個開關器件需要很高的耐壓,其耐壓必須大于工作電壓的兩倍,因此在220V交流供電設備中很少使用。另外,直流輸出電壓可調整式推挽開關電源輸出電壓的調整范圍比反激式開關電源輸出電壓的調整范圍小很多,并且需要一個儲能濾波電感;因此不宜用于要求負載電壓變化范圍太大的場合,特別是負載很輕或經常開路的場合。
它的變壓器有兩組初級線圈,對于小功率輸出是個缺點,對于大功率輸出是個優點。因為大功率變壓器的線圈繞組一般都用多股線來繞制,因此兩組初級線圈與用雙股線繞制沒有根本區別,并且兩個線圈與單個線圈相比可以降低一半電流密度。


