PCB中DC-DC電源設計小結
來源: 發布時間:2019-08-12 16:03:29 989 次瀏覽
DC-DC電源設計不僅僅是滿足功能需求,還得滿足后期的工作中的抗干擾能力,更好的長遠的應用DC-DC電源的工作能力。
選一款DC-DC開關電源IC為例,如下:


了解管腳說明并注意每個管腳的功能。

1pin:使能腳;
2pin:地腳;
3pin:電源輸出腳;
4pin:電源輸入腳;
5pin:反饋腳,提供反饋電壓;
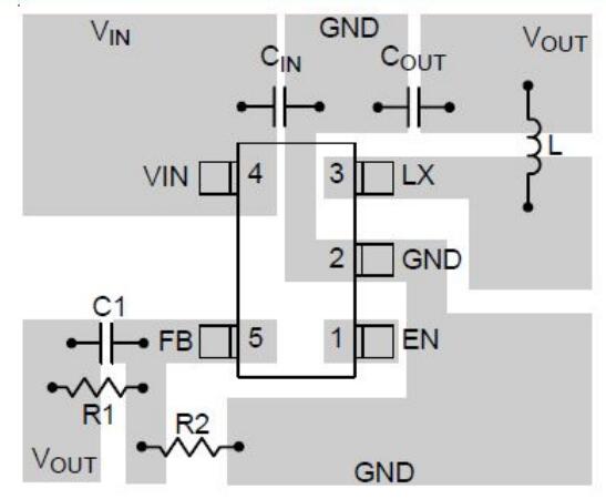
最重要的一步,需要仔細查看datasheet中是否提供了布局指導建議,如圖:

1.主電流通道走線盡量寬而短;
2.輸入電容盡量靠近電源端;
3.讓敏感信號走線遠離LX端;
4.反饋電阻盡量靠近FB端,反饋線起采樣作用。
5.一定得鋪地覆銅。
下面了解下圖存在哪些問題:

其中圖中標示了輸入、輸出,以及反饋;
設計中還是存在一些問題需要改善:
1.輸入處電流過孔數目不夠,且最好打在電容右側;
2.反饋線太細建議走15mil粗線,連到輸出端最后一個電容,不要直接連在電感上;
3.1腳為使能腳,不需要覆銅;
4.0402小電容建議十字花鏈接;
5.輸入輸出回路太大,可以改變布局讓其他共地,縮小環路面積;
經過改善后的布局連線,如圖:

完善后的DC-DC電路布局和走線形式,在工作中會大大的減少噪聲。


