AC-DC電源模塊40W
電源類型:插針式電源模塊
規格型號:ZAS40-15-W
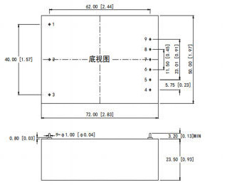
電源尺寸:72*50*23.5mm
輸入電壓:85-265VAC或120-375VDC
輸出電壓:DC3.3V/05V/12V/15V/24V/28V/48V
輸出功率:40W

電源類型:插針式電源模塊
規格型號:ZAS40-15-W
電源尺寸:72*50*23.5mm
輸入電壓:85-265VAC或120-375VDC
輸出電壓:DC3.3V/05V/12V/15V/24V/28V/48V
輸出功率:40W
| @電參數測試環境:所有參數均在標稱輸入電壓,標稱負載、環境溫度25℃下測得,特殊除外 | |||||||||||||
產品命名方式: |
|||||||||||||
| 產品型號列表: | |||||||||||||
| 產品型號 | 輸入電壓范圍(AC) | 輸出電壓(VO)/輸出電流(IO) | 紋波噪聲 | 效率(%) | |||||||||
85-265VAC 120-375VDC |
Vo1 | Io1 | Vo2 | Io2 | Vo3 | Io3 | |||||||
| ZAS40-05-W | 05V | 8A | <%1 | 82 | |||||||||
| ZAS40-12-W | 12V | 3.33A | <%1 | 83 | |||||||||
| ZAS40-15-W | 15V | 2.66A | <%1 | 82 | |||||||||
| ZAS40-24-W | 24V | 1.66A | <%1 | 84 | |||||||||
| ZAS40-28-W | 28V | 1.42A | <%1 | 83 | |||||||||
| ZAS40-36-W | 36V | 1.11A | <%1 | 85 | |||||||||
| ZAS40-48-W | 48V | 0.83A | <%1 | 81 | |||||||||
| ZAD40-05-W | 05V | 4A | -05V | 4A | <%1 | 82 | |||||||
| ZAD40-12-W | 12V | 1.66A | -12 | 1.66A | <%1 | 83 | |||||||
| ZAD40-15-W | 15V | 1.33A | -15 | 1.33A | <%1 | 83 | |||||||
| ZAD40-28-W | 24V | 1.21A | -28 | 1.21A | <%1 | 84 | |||||||
| ZAD40-48-W | 48V | 0.41A | -48 | 0.41A | <%1 | 83 | |||||||
| ZAT40-0512-W | 05V | 5A | +12V | 0.4A | -12V | 0.4A | <%1 | 85 | |||||
| ZAT40-0524-W | 05V | 5A | +24V | 0.3A | -24V | 0.3A | <%1 | 82 | |||||
| ZAT40-1224-W | 12V | 2A | +24V | 0.2A | -24V | 0.2A | <%1 | 81 | |||||
| ZAT40-1248-W | 12V | 2A | +48V | 0.1A | -48V | 0.1A | <%1 | 83 | |||||
| ZAT40-0515-W | 05V | 5A | +15V | 0.25A | -15V | 0.25A | <%1 | 82 | |||||
| ZAT40-0548-W | 05V | 6A | +48V | 0.1A | -48V | 0.1A | <%1 | 83 | |||||
| 注:以上型號未盡,有更多參數可選,詳情咨詢我公司。 | |||||||||||||
| 輸入特性 | 最低端(Vac) | 標稱輸入電壓(Vac) | 最高端(Vac) | ||||||||||
| 輸入電壓 | 85VAC | 220VAC | 265VAC | ||||||||||
| 輸入頻率范圍 | 47Hz-440Hz(最大) | ||||||||||||
| 輸出特性 | |||||||||||||
| 輸出電壓精度 | Vo1±1%,Vo2±3%,Vo3±3% | ||||||||||||
| 紋波噪聲 | <1%Vp-p(20MHz示波器光探頭測試) | ||||||||||||
| 負載效應 | ±0.5%(10%-100%) | ||||||||||||
| 溫度系數 | ±0.03%/℃ | ||||||||||||
| TRIM | 微調端(±10%) | ||||||||||||
| 輸出保護 | 短路保護(長期、自恢復)、過溫保護、過流保護、過壓保護 | ||||||||||||
| 一般特性 | |||||||||||||
| 工作環境溫度 | -25~+60℃(工業級) -40~+70℃(軍工級) -55~+85℃(航天級) | ||||||||||||
| 儲存溫度 | -45~+105℃(工業級) -55~+105℃(軍工級) -60~+125℃(航天級) | ||||||||||||
| 儲存濕度 | 5%~95%RH | ||||||||||||
| 隔離電阻 | >100M? | ||||||||||||
| 隔離耐壓 | 輸入-輸出2500VAC 輸入-外殼2500VAC 輸出-外殼500VAC | ||||||||||||
| 工作頻率 | 60KHz/100KHz | ||||||||||||
| 安裝方式 | 焊接式 | ||||||||||||
| 外殼材料 | 金屬外殼 | ||||||||||||
| 產品尺寸 | 72mmx50mmx23.5mm | ||||||||||||
| 冷卻方式 | 自然空冷 | ||||||||||||
| 安裝尺寸及管腳定義: | |||||||||||||
|
|||||||||||||